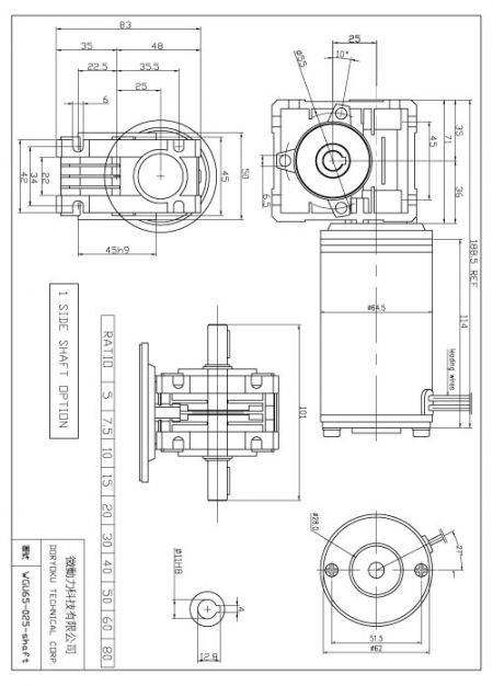
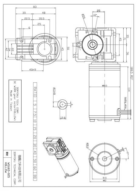
Motore a vite senza fine DIA65mm ad alta razione
WGU65
Motore a ingranaggi DC A SPAZZOLE, SG45 SG62
I motori a vite senza fine combinano un riduttore ad ALTA RAZIONE e un motore a spazzole. WGU65 potrebbe sostituire il motore a vite SG65 con una coppia nominale di 5-30Nm. Buono per varie applicazioni di trasmissione di potenza nell'industria.
I motoriduttori a vite senza fine DORYOKU possono essere prodotti in molte diverse combinazioni secondo le richieste dei clienti. Qualunque sia la necessità di un motore a basso rumore, a bassa corrente, ad alta potenza, ad alta efficienza, con funzione di auto-bloccaggio o di revisione, basta farci conoscere la vostra richiesta. Il set di ingranaggi a vite senza fine DORYOKU ha fiducia di poter soddisfare la vostra richiesta critica.
Specifiche
- Diametro motore Φ64.5mm
- Ingranaggio in ottone
- Rapporto di trasmissione (1/ i) : 1/5 , 1/7.5 , 1/10 , 1/15 , 1/20 , 1/30 , 1/40 , 1/50 , 1/60 , 1/80
- Con encoder/freno disponibile
- Le curve di prestazione di coppia, corrente e velocità saranno allegati come richiesta di esempio.
Applicazioni
- Apparecchiature MEDICALI, Bagno a letto,
- Tenda antincendio automatica, ROBOT, Pista disabile scalata, cingolo a cingoli
- Prodotti Correlati
- Vite senza fine DIA80 con supporto per motore- WG80AN- I motori a vite senza fine in metallo DIA80 combinano riduttore e motore a spazzole. Poiché... Particolari- Motore a vite senza fine a lunga durata 260W- WGK80L 030 56B14- WG80L (VERSIONE LUNGA) NMRV 030 63B14 è un tipo molto popolare con un'ampia applicazione. Particolari
- Download dei File
Catalogo Doryoku - Motore a ingranaggi planetari
Motore a ingranaggi planetari da Dia18mm a 124mm.
Motore a vite senza fine DIA65mm ad alta razione - Motore a ingranaggi DC A SPAZZOLE, SG45 SG62 | Oltre 25 anni di esperienza nella produzione di motori a ingranaggi DC ad alta coppia e alta qualità | Doryoku Technical Corp.
Con sede a Taiwan dal 2000, Doryoku Technical Corp. è un produttore di motori a ingranaggi DC. I loro principali prodotti includono il motore ad ingranaggi a vite senza fine DIA65mm ad alto rapporto, i motori ad ingranaggi planetari DC, i motori ad ingranaggi a vite senza fine, i motori ad ingranaggi a denti dritti, che possono essere spazzolati, BLDC, passo-passo, NEMA, senza spazzole o combinati con motori servo.
DORYOKU è uno dei principali produttori di motori DC servo | motori a ingranaggi DC dal 2000 con sede a Taiwan, ed è specializzato nella produzione di motori DC ad alto coppia per soddisfare le esigenze delle applicazioni di automazione. I nostri motoriduttori a corrente continua come il motoriduttore planetario, il motore a corrente continua servo, il motore a corrente continua senza spazzole sono progettati con una gamma di dimensioni da 18mm a 80mm, rapporti di riduzione che vanno da 4:1 a 11909:1. e coppia continua fino a 4.166 oz-in! Offriamo una soluzione economica per le tue esigenze di automazione. La linea di prodotti include riduttori planetari, a vite senza fine, a ingranaggi a denti dritti, combinati con motori spazzolati, BLDC, passo-passo, servo.
Doryoku Tech. offre ai clienti motori DC ad alto coppia e motori ad ingranaggi DC, entrambi con tecnologia avanzata e 25 anni di esperienza, Doryoku Tech. garantisce che le esigenze di ogni cliente siano soddisfatte.
 
 



 
 
 
 
 
 
 
 



 Scarica
Scarica    	    
