Fırçalı DIA65 DC Uzun Ömürlü Motor
M65 L109 STABİL
BG45
Güçlü ve normal 2 versiyon seçeneği vardır. Dunker GR 63Sx55 dc dişli motorunu 0.25Nm nominal değerle değiştirebilir.
M65 DC küçük motor düşük gürültü, uzun ömür ve hız ile tork özellikleri pürüzsüz bir şekilde değişir. Bu özellik, onu Robotik, Lineer Aktüatörler/Motorlar, Lineer ve Pozisyonel Dönüş, Anten Pozisyonlama uygulamaları için uygun hale getirir.
Gezegen dişli kutusu ile birleştirildiğinde, vida dişli kutusu sürekli torku stabil hale getirir.
GÜÇLÜ TİP, Nadir toprak versiyonu RM65 mevcuttur.
Özellikler
- Ferrit / Nadir Toprak Sürekli Mıknatıs seçeneği.
- Gezegen Dişli Kutuları / Vida Dişli Kutuları / Düz Dişli Kutuları Mevcuttur.
Özellikler
- Düşük Gürültü Motoru.
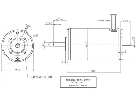
- Boyut: Dia65 x 109mm, 8mm Mil Çapı
- Voltaj Aralığı: 6V, 12V, 24V, 36V
- Çıkış Hızı: 1000 - 3500 rpm
- Kodlayıcı / Fren seçeneği.
Boyutlar | Veri Sayfası | Genişletilmiş fonksiyon
- 
                
                Tıbbi Ekipmanlar için DC Motor M59
- 
                
                Gezegen dişli motoru_P65 DIA65
- İlgili Ürünler
- 
			            DIA54 Fırça Düşük AkımM54 DIA54 L104DC Sürekli Mıknatıs Motorları, ekipman tasarımında birçok performans avantajına sahiptir. Adım... DetaylarGüçlü Planet DIA65 Dişli MotoruP65 Uzun ÖmürSürekli torku sabit olan güçlü DC Motor ve Planet Dişli Kutusu. Yüksek tork için en iyi seçenek,... Detaylar65mm DC Kırkayak Dişli MotorWG65Solucan dişli motorlar, dişli redüktörü ve fırçalı motoru birleştirir. WG65, 5-10... Detaylar
Fırçalı DIA65 DC Uzun Ömürlü Motor-BG45 | 25 Yılı Aşkın Yüksek Torklu ve Yüksek Kaliteli DC Dişli Motorları Üreticisi | Doryoku Technical Corp.
2000 yılından beri Tayvan merkezli olan Doryoku Technical Corp., bir DC dişli motor üreticisidir. Ana ürünleri arasında Fırçalı DIA65 DC Uzun Ömürlü Motor, DC Planet Dişli Motorlar, Solucan Dişli Motorlar, Dişli Motorlar bulunur, bunlar fırçalı, BLDC, adımlı, NEMA, fırçasız veya servo motorlarla birleştirilebilir.
DORYOKU önde gelen DC servo motorlardan biridir | DC dişli motor üreticileri 2000 yılından bu yana Tayvan merkezli olup, otomasyon uygulamalarının ihtiyaçlarını karşılamak için yüksek torklu DC motor üretiminde uzmanlaşmıştır. DC dişli motorumuz, örneğin, gezegen dişli motoru, DC servo motoru, fırçasız DC motoru, 18mm ile 80mm arasında değişen boyut aralığına ve 4:1 ile 11909:1 arasında değişen dişli oranlarına sahip olarak tasarlanmıştır. ve 4.166 oz-inç'e kadar sürekli tork! Otomasyon ihtiyaçlarınız için uygun maliyetli bir çözüm sunuyoruz. Ürün grubu, fırçalanmış, BLDC, adımlı, servo motorla birleştirilmiş planeter, Solucan, düz Dişli Kutusunu içerir.
Doryoku Tech. müşterilere yüksek torklu DC motorlar ve DC dişli motorlar sunmaktadır. İleri teknoloji ve 25 yıllık deneyimle Doryoku Tech., her müşterinin taleplerini karşılamaktadır.
 
 
        	

 
                         
                        
 İndirmek
    	            	        İndirmek    	    
