DIA35 Uzun Ömür
M3540 L40 UZUN ÖMÜRLÜ VERSİYON
M3540 DC küçük Motor düşük gürültü, uzun ömür ve hız ile tork özellikleri pürüzsüz bir şekilde değişir. Bu özellik, Robotik, Lineer Aktüatörler/Motorlar, Lineer ve Pozisyonel Dönüş, Anten Konumlandırma uygulamaları için uygundur.
DC Sürekli Mıknatıs Motorları, ekipman tasarımında birçok performans avantajına sahiptir.
Adım motoru ile karşılaştırıldığında, fırçasız motor, DC Sürekli Mıknatıs Motorları daha hafif, daha verimli ve güvenilirdir. En önemlisi, değişken besleme voltajı ile hız kontrolü yapmak kolaydır.
Özellikler
- Ferrit / Nadir Toprak Kalıcı Mıknatıs seçeneği.
Özellikler
- Düşük Gürültü Motoru.
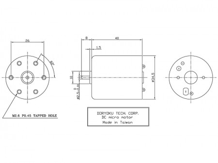
- Boyut: Dia34.5 x 40mm, 2.5mm Mil Çapı
- Voltaj Aralığı: 6V, 12V, 24V, 36V
- Çıkış Hızı: 1000 - 8000 rpm
- Kodlayıcı seçeneği.
- İlgili Ürünler
- DIA37 Düşük Gürültülü Gezegen motoru- P35 Düşük akım- Sessiz Fırçalı DC Motor Gezegen Dişli Kutusuyla, Sürekli tork stabil. Yüksek tork, çap... Detaylar- DIA35 Düz Fırçalı Motor- M3525 L25 SESSİZ VR.- DC Sürekli Mıknatıs Motorları, ekipman tasarımında birçok performans avantajına sahiptir. Adım... Detaylar
DIA35 Uzun Ömür- | 25 Yılı Aşkın Yüksek Torklu ve Yüksek Kaliteli DC Dişli Motorları Üreticisi | Doryoku Technical Corp.
2000 yılından beri Tayvan merkezli olan Doryoku Technical Corp., bir DC dişli motor üreticisidir. Ana ürünleri arasında DIA35 Uzun Ömürlü, DC Planet Dişli Motorlar, Solucan Dişli Motorlar, Dişli Motorlar yer almaktadır. Bu motorlar fırçalı, BLDC, adımlı, NEMA, fırçasız veya servo motorlarla birleştirilebilir.
DORYOKU önde gelen DC servo motorlardan biridir | DC dişli motor üreticileri 2000 yılından bu yana Tayvan merkezli olup, otomasyon uygulamalarının ihtiyaçlarını karşılamak için yüksek torklu DC motor üretiminde uzmanlaşmıştır. DC dişli motorumuz, örneğin, gezegen dişli motoru, DC servo motoru, fırçasız DC motoru, 18mm ile 80mm arasında değişen boyut aralığına ve 4:1 ile 11909:1 arasında değişen dişli oranlarına sahip olarak tasarlanmıştır. ve 4.166 oz-inç'e kadar sürekli tork! Otomasyon ihtiyaçlarınız için uygun maliyetli bir çözüm sunuyoruz. Ürün grubu, fırçalanmış, BLDC, adımlı, servo motorla birleştirilmiş planeter, Solucan, düz Dişli Kutusunu içerir.
Doryoku Tech. müşterilere yüksek torklu DC motorlar ve DC dişli motorlar sunmaktadır. İleri teknoloji ve 25 yıllık deneyimle Doryoku Tech., her müşterinin taleplerini karşılamaktadır.
 
 
 


 İndirmek
İndirmek    	    
