DIA21 MINI DC Fırçalı Motor
M21 UZUN ÖMÜRLÜ VERSİYON
DC Sürekli Mıknatıs Motorları, ekipman tasarımında birçok performans avantajına sahiptir.
Adım motoru ile karşılaştırıldığında, fırçasız motor, DC Sürekli Mıknatıs Motorları daha hafif, daha verimli ve güvenilirdir. En önemlisi, değişken besleme voltajı ile hız kontrolü yapmak kolaydır.
M21 DC küçük Motor, Avrupa pazarı için kendi geliştirdiğimiz bir motordur. Güçlü, düşük gürültülü, uzun ömürlü ve hız/tork karakteristikleri düzgün bir şekilde değişir. Bu özellik, Robotik, Lineer Aktüatörler/Motorlar, Lineer ve Pozisyonel Dönme, Anten Konumlandırma uygulamaları için uygundur.
Özellikler
- 3W ila 5W.
- Ferrit / Nadir Toprak Kalıcı Mıknatıs seçeneği.
Özellikler
- Tüplü için ÖZEL TASARIM
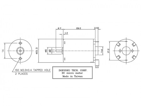
- Boyut: 21.3 x 29.2mm, 2mm Şaft Çapı
- Voltaj Aralığı: 6V - 36V
- Çıkış Hızı: 1500 - 8000 dev/dak
- Kodlayıcı seçeneği.
- İlgili Ürünler
-
DIA22 Mini tüp Motoru
P22B Gezegen RULMANI
Çap 22mm, Sessiz ve uzun ömürlü özel tasarım Fırçalı DC Motor, Gezegen Dişli Kutusu...
DetaylarDIA21 DAHA UZUN Vr. Tüp Motoru
M21L Tüp Motoru
DC Sürekli Mıknatıs Motorları, ekipman tasarımında birçok performans avantajına sahiptir. Adım...
Detaylar
DIA21 MINI DC Fırçalı Motor- | 25 Yılı Aşkın Yüksek Torklu ve Yüksek Kaliteli DC Dişli Motorları Üreticisi | Doryoku Technical Corp.
2000 yılından beri Tayvan merkezli olan Doryoku Technical Corp., bir DC dişli motor üreticisidir. Ana ürünleri arasında DIA21 MINI DC Fırçalı Motor, DC Planet Dişli Motorlar, Solucan Dişli Motorlar, Dişli Motorlar bulunur, bunlar fırçalı, BLDC, adımlı, NEMA, fırçasız veya servo motorlarla birleştirilebilir.
DORYOKU önde gelen DC servo motorlardan biridir | DC dişli motor üreticileri 2000 yılından bu yana Tayvan merkezli olup, otomasyon uygulamalarının ihtiyaçlarını karşılamak için yüksek torklu DC motor üretiminde uzmanlaşmıştır. DC dişli motorumuz, örneğin, gezegen dişli motoru, DC servo motoru, fırçasız DC motoru, 18mm ile 80mm arasında değişen boyut aralığına ve 4:1 ile 11909:1 arasında değişen dişli oranlarına sahip olarak tasarlanmıştır. ve 4.166 oz-inç'e kadar sürekli tork! Otomasyon ihtiyaçlarınız için uygun maliyetli bir çözüm sunuyoruz. Ürün grubu, fırçalanmış, BLDC, adımlı, servo motorla birleştirilmiş planeter, Solucan, düz Dişli Kutusunu içerir.
Doryoku Tech. müşterilere yüksek torklu DC motorlar ve DC dişli motorlar sunmaktadır. İleri teknoloji ve 25 yıllık deneyimle Doryoku Tech., her müşterinin taleplerini karşılamaktadır.





