DIA22 LÅNG Tubservoplanet
SVP22LONG
IG-22PGM Elektriska motorer för automation
Vår produktlinje inkluderar planetväxlar, kuggväxlar, kombinerade med borstade, BLDC, stegmotorer, servomotorer.
Storleksintervall från 18 mm till 80 mm, växelverkningsförhållanden från 4:1 till 11909:1 och kontinuerligt vridmoment på upp till 4,166 oz-in!
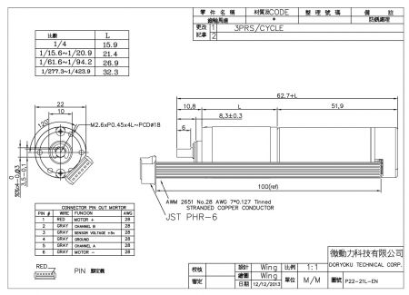
Specifikation
- MAGNETISK Encoder
- DC servoplanetmotor
- DIA 26x 56-88mm.
- Metall- eller plastväxelalternativ.
- Faulhaber Maxon Portescap flänsalternativ
- Prestandakurvor för vridmoment, ström, hastighet kommer att bifogas som exempelbegäran.
Specifikation för kodare
- Strömförsörjning: DC 5V
- Energiförbrukning: < 80mA
- Utgångsläge: Linjedrivare
- Pulsantal: 3PPR
Specifikation för motor
- Utgångseffekt: 5W till 8W.
- Volt: 12V 24V
- Tomgångshastighet: 2000-8000 RPM
Applikationer
- MEDICINSK Utrustning, Sängbad,
- automatisk brandklassad gardin, ROBOT
- Relaterade produkter
DIA21 DC servomotor
SV21
Mini servo motor. Anslut med planetväxel P22. Utväxlingsförhållanden från 4:1 till 424:1.
DetaljerDIA22 Mini rör Motor
P22B Planet LAGER
Diameter 22mm, Tyst och långlivad specialdesignad borstad DC-motor med planetary gearbox gör...
Detaljer
DIA22 LÅNG Tubservoplanet - IG-22PGM Elektriska motorer för automation | Över 25 år av hög vridmoment och högkvalitativa DC-växelmotorer tillverkare | Doryoku Technical Corp.
Baserat i Taiwan sedan 2000 är Doryoku Technical Corp. en tillverkare av DC-växelmotorer. Deras huvudsakliga produkter inkluderar DIA22 LONG Tube Servo Planet, DC-planetary gear motors, Worm Gear Motors, Spur Gear Motors, som kan vara borstade, BLDC, stegmotorer, NEMA, borstlösa eller kombinerade med servomotorer.
DORYOKU är en av de ledande tillverkarna av DC-servomotorer | DC-växelmotorer sedan 2000 med bas i Taiwan och är specialiserad på att producera hög vridmoment DC-motorer för att möta behoven inom automatiseringsapplikationer. Våra DC-växelmotorer, såsom planetväxelmotor, DC-servomotor, borstlös DC-motor, är utformade med storleksintervall från 18 mm till 80 mm, växelförhållanden från 4:1 till 11909:1. och kontinuerligt vridmoment på upp till 4 166 oz-in! Vi erbjuder en kostnadseffektiv lösning för dina automatiseringsbehov. Produktlinjen inkluderar planetväxlar, maskväxlar, kuggväxlar, kombinerade med borstade, BLDC, stegmotorer, servomotorer.
'Doryoku Tech.' har erbjudit kunder hög vridmoment DC-motorer och DC-växelmotorer, både med avancerad teknik och 25 års erfarenhet. 'Doryoku Tech.' ser till att varje kunds krav uppfylls.





