Мощный планетарный редукторный мотор DIA65
P65 Долговечность
GR 63x55 PLG52H PLG63
Мощный DC мотор с планетарным редуктором, стабильный крутящий момент.
Лучший выбор для высокого крутящего момента, диаметр 65 мм. P65 может заменить мотор-редуктор dunker GR 63Sx55 + PLG52 / PLG52H / PLG60 / PLG63 / PLG75 с номиналом 5-30Нм
Разные материалы шестерен для удовлетворения ваших требований, доступны индивидуальные спецификации, валы, выводы, крышки.
Планетарные редукторные моторы Doryoku реализуются путем сборки бесщеточных двигателей постоянного тока и планетарных редукторов.
Особенности
- Планетарная коробка передач может быть изготовлена из пластика или металла и, в зависимости от передаточного отношения, может иметь одну, две, три или четыре ступени.
- Линейка продуктов включает размеры моторов от 65 мм, передаточные отношения от 1/4 - 1/312.
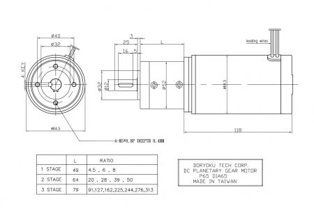
Спецификация
- Коэффициент передачи: 1/4 - 1/244
- 1 ступень: 1/4 , 1/6.25 , 1/8
- 2 ступени: 1/16 , 1/25 , 1/36 , 1/50
- 3 ступени: 1/64 , 1/81 , 1/100 , 1/128 , 1/144 , 1/176 , 1/200 , 1/225 , 1/244 , 1/312
- Диапазон напряжения: 12V, 24V, 36V
- Диапазон напряжения: 12В - 36В
- Скорость выхода: 10 - 3000 об/мин
- Металлическая шестерня.
- Опция Nema 23.
- Оптические или магнитные датчики подходят для комбинации.
- Кривые производительности крутящего момента, тока, скорости будут приложены как образец запроса.
Размеры | Технический лист | Расширенные функции
- Планетарный редукторный мотор_P65 DIA65
- Планетарный редукторный мотор_P65 с тормозом
- Планетарный редукторный мотор_P65 с магнитным энкодером
- Планетарный редукторный мотор_P65 с ОПТИЧЕСКИМ энкодером
- P520126M59462422-004ТЕХНИЧЕСКИЙ ЛИСТ
Применения
- Подъемные платформы и подъемные механизмы
- Электрические роллетные двери и системы ворот
- Системы парковочного оборудования
- Оборудование для подъема сцены и выступлений
- Смешивание и оборудование для смешивания
- Вспомогательные приводы станков с ЧПУ
- Приводы суставов роботизированной руки
- Автоматизированное оборудование для обработки AGV/AMR
- Умные системы складирования и логистики
- Оборудование для автоматизации сельского хозяйства
- Системы солнечного слежения
- Системы управления клапанами и жидкостями
- Оборудование для промышленного тестирования и моделирования
- Механизмы коррекции ориентации спутников
- Системы развертывания и позиционирования солнечных панелей
- Системы развертывания и управления антеннами связи
- Вспомогательные приводы для космического роботизированного манипулятора
- Системы управления и активации в среде высокого вакуума
- Оборудование для наземного моделирования и испытаний в аэрокосмической отрасли
- Механизмы точной регулировки оптических инструментов
- Связанные продукты
Сервомотор DIA52 с длительным сроком службы.
Сервомотор P52 / RMP52 TURBO.
Тихий щеточный DC мотор с планетарным редуктором, стабильный...
ПодробностиDIA52 Сильная планета редукторный мотор
P52-1 Сильная планета
Мощный DC мотор с планетарным редуктором, стабильный...
Подробности
Каталог Doryoku — Планетарный мотор-редуктор
Планетарный мотор-редуктор диаметром от 18 до 124 мм.
Теги
- Автоматизированные управляемые транспортные средства (AGV)
- Конвейеры и системы обработки материалов
- Малые роботизированные руки и автоматизированное оборудование
- Упаковочные и запечатывающие машины
- Медицинские диагностические и лабораторные устройства
- Системы видеонаблюдения и поворотные системы
- Умные торговые и раздаточные автоматы
- Текстильные и печатные машины
- Системы солнечного слежения и позиционирования
- Оборудование для кормления и управления орошением в сельском хозяйстве
- Мини ЧПУ-станки и оборудование для гравировки
- Электронные инструменты для инспекции и тестирования
- Системы управления автоматическими дверями и воротами
- Вспомогательные системы привода для аэрокосмической отрасли
- Линии производства прецизионной сборки
Мощный планетарный редукторный мотор DIA65 - GR 63x55 PLG52H PLG63 | Более 25 лет производитель высококрутящего момента и высококачественных DC редукторов | Doryoku Technical Corp.
Компания Doryoku Technical Corp., базирующаяся в Тайване с 2000 года, является производителем мотор-редукторов постоянного тока. Их основная продукция, в том числе мотор-редуктор Strong Planet DIA65, планетарные мотор-редукторы постоянного тока, червячные мотор-редукторы, цилиндрические мотор-редукторы, которые могут быть щеточными, BLDC, шаговыми, NEMA, бесщеточными или с комбинированными серводвигателями.
DORYOKU - один из ведущих производителей DC-сервомоторов | DC-редукторных моторов с 2000 года, базирующийся в Тайване, и специализирующийся на производстве высокого крутящего момента DC-моторов для удовлетворения потребностей автоматизированных приложений. Наши DC-шестеренчатые моторы, такие как планетарные моторы, DC-сервомоторы, безщеточные DC-моторы, разработаны с диапазоном размеров от 18 мм до 80 мм, передаточными числами от 4:1 до 11909:1. и непрерывный крутящий момент до 4 166 унций-дюймов! Мы предлагаем экономичное решение для ваших потребностей в автоматизации. Линейка продукции включает планетарные, червячные, шестеренчатые редукторы, в сочетании с щеточными, безщеточными, шаговыми, сервоприводами.
Doryoku Tech. предлагает клиентам высокомоментные постоянные двигатели и постоянные редукторные двигатели, используя передовые технологии и 27-летний опыт, Doryoku Tech. гарантирует удовлетворение требований каждого клиента.




